Перейдите в раздел для просмотра товаров
Стандартные исполнения
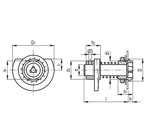
BOCK:
шток из никелированной стали с торцом, обточенным под треугольный ключ;
направляющая втулка и зажимная гайка (гаечный ключ 24) из никелированной латуни;
Плоская пружинная шайба из оцинкованной стали DIN 6798;
спиральный кулачок замка из спечённой и выпаренной стали с отверстием для штифтового соединения;
пружинный установочный штифт Ø 3 × 20 мм из стали с чёрной оксидной плёнкой AISI 303;
замковая пружина для компенсации толщины двери из оцинкованной стали;
Ключ из технополимера на основе полиамида (ПА), чёрный цвет, матовая отделка.
открывание в правую (D) или левую сторону (S).
BOCK-SST:
шток с торцом, обточенным под треугольный ключ, направляющая втулка, контргайка (ключ 24), плоская пружинная шайба DIN 6798 из нержавеющей стали AISI 303;
спиральный кулачок замка из спечённой нержавеющей стали AISI 316 L с отверстием для штифтового соединения;
пружинный установочный штифт Ø 3 × 20 мм из нержавеющей стали AISI 303;
замковая пружина для компенсации толщины двери из нержавеющей стали AISI 302;
Ключ из технополимера на основе полиамида (ПА), чёрный цвет, матовая отделка.
открывание в правую (D) или левую сторону (S).

Инструкции по монтажу
Выберите длину штока (l) задвижки в соответствии со следующим условием L ≥ S + B + 15 мм (S – толщина двери, b – толщина выступа).
Просверлите отверстие в двери по прилагаемому шаблону.
Просверлите отверстие в штоке для штифтового соединения на расстоянии "f":
Установите шток в отверстие на двери и соберите другие компоненты.
Замки BOCK. поставляются в разобранном виде.
Оплата товара производится только за безналичный расчет. Документы для оплаты высылаются на электронную почту заказчика после согласования всех существенных условий заказа (ассортимент, кол-во изделий, сроки поставки и др.). Датой оплаты считается дата поступления денежных средств на расчетный счет продавца.
Доставка осуществляется на территории РФ и СНГ транспортными компаниями по согласованию с заказчиком. Возможен самовывоз со склада продавца (перед приездом необходимо связаться с менеджером и уточнить готовность товара к отгрузке). Дата и время доставки согласовываются с заказчиком.