Перейдите в раздел для просмотра товаров
Колесики с кронштейном для средних нагрузок RE.F8-SBL-H
Центральная часть колеса
Технополимер на основе полиамида (PA).
Качение
Ступица со сквозным отверстием.
Кронштейн неподвижной пластины
Оцинкованный стальной лист желтого цвета. Кронштейн предназначен для выдерживания нагрузок до 7300Н. Он обеспечивает несущими способностями, которые делают его пригодным для тяжелых промышленных применений.
Кронштейн поворотной пластины
Оцинкованный стальной лист желтого цвета.Наличие двойного поворотного шарикоподшипника и прямой контакт между пластиной и кольцом шарикоподшипника со встроенным штифтом обеспечивают превосходную маневренность. Не требует обслуживания. Кронштейн предназначен для выдерживания нагрузок до 7300Н. Он обеспечивает несущими способностями, которые делают его пригодным для тяжелых промышленных применений.
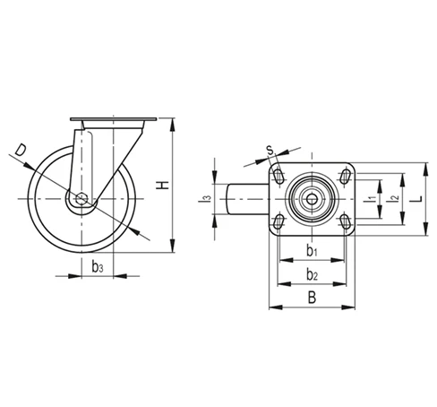
Он состоит из (см. рис.1):
крепежная пластина: оцинкованный стальной лист желтого цвета;
вилка: оцинкованный стальной лист желтого цвета;
кольцо шарикового подшипника: оцинкованный стальной лист желтого цвета;
центральная цапфа: стальной винт класса 8.8 и стальная гайка;
система ротации: кольцо шарика с консистентной смазкой с обеих сторон;
пылезащитное уплотнение: технополимер серого цвета RAL 7015.
Тормоз
Передний тормоз (RE.F8-100-125) или задний тормоз (RE.F8-150-200) двойного действия с одновременной блокировкой колеса и кронштейна. Тормоз прост и эффективен в использовании: он приводится в действие и расцепляется простым воздействием сверху вниз на кончик двух отдельных педалей, тем самым обеспечивая максимальное удобство маневрирования. Тормозная эффективность может быть отрегулирована с помощью винта с головкой под торцевой ключ M8.
Стандартные исполнения
- PBL-H: неподвижный кронштейн, без тормоза.
- SBL-H: кронштейн поворотной пластины, без тормоза.
- SBF-H: кронштейн поворотной пластины, с тормозом.

Области применения
Пригодный для тяжелых промышленных применений. Превосходная стойкость к износу и разрыву. Для получения дополнительной информации, см.RE.F8-.
Оплата товара производится только за безналичный расчет. Документы для оплаты высылаются на электронную почту заказчика после согласования всех существенных условий заказа (ассортимент, кол-во изделий, сроки поставки и др.). Датой оплаты считается дата поступления денежных средств на расчетный счет продавца.
Доставка осуществляется на территории РФ и СНГ транспортными компаниями по согласованию с заказчиком. Возможен самовывоз со склада продавца (перед приездом необходимо связаться с менеджером и уточнить готовность товара к отгрузке). Дата и время доставки согласовываются с заказчиком.