Перейдите в раздел для просмотра товаров
Покрытие
Изготовленный по образцу полиуретан, твёрдость по Шору 92 по шкале А.
Центральная часть колеса
Чугун.
Качение
Ступица с шарикоподшипником. Идеальное решение для больших нагрузок и непрерывного движения.
Кронштейн неподвижной пластины
Электросварной, стальной, с порошковым покрытием тёмно-зелёного цвета. Кронштейн выдерживает нагрузки до 23 000 Н. Подходит для тяжёлых условий эксплуатации и промышленного применения (например, при столкновении и при высоких скоростях).
Кронштейн поворотной пластины
Электросварная сталь с тёмно-зелёным порошковым покрытием.
Наличие осевого и конического подшипников обеспечивает отличную маневренность даже при полной нагрузке и увеличивает сопротивление кронштейна боковому воздействию. Он оснащён смазчиком и системой, предотвращающей ослабление затяжки контргайки. Кронштейн выдерживает нагрузки до 23 000 Н. Подходит для тяжёлых условий эксплуатации и промышленного применения (например, при столкновении и при высоких скоростях).
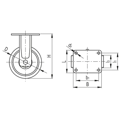
Он состоит из (см. Рис.1):
крепежная пластина: кованая сталь со встроенной цапфой, порошковое покрытие тёмно-зелёного цвета;
вилка: начерченные стороны, электросваренные к фланцу, порошковое покрытие тёмно-зелёного цвета;
система ротации: осевой шариковый подшипник и конический роликовый подшипник;
смазчик;
система, предотвращающая ослабление затяжки контргайки
Тормоз
Задний тормоз двойного действия с одновременной блокировкой колеса и кронштейна. Тормоз прост и эффективен в использовании: он приводится в действие и расцепляется простым воздействием сверху вниз на кончик двух отдельных педалей, тем самым обеспечивая максимальное удобство маневрирования. Тормозная эффективность может быть отрегулирована с помощью винта с головкой под торцевой ключ M8.
Стандартные исполнения
- PSL-WEH: кронштейн неподвижной пластины, без тормоза.
- SSL-WEH: кронштейн поворотной пластины, без тормоза.
- SSF-WEH: кронштейн поворотной пластины, с тормозом.

Области применения
Подходит для тяжёлых условий эксплуатации и промышленного применения (например, при столкновении и при высоких скоростях). Изготовленные по образцу полиуретановые колёса обеспечивают превосходное сопротивление качению и эластичность, высокую стойкость к износу и разрыву. Для получения дополнительной информации, см.RE.F4.
Оплата товара производится только за безналичный расчет. Документы для оплаты высылаются на электронную почту заказчика после согласования всех существенных условий заказа (ассортимент, кол-во изделий, сроки поставки и др.). Датой оплаты считается дата поступления денежных средств на расчетный счет продавца.
Доставка осуществляется на территории РФ и СНГ транспортными компаниями по согласованию с заказчиком. Возможен самовывоз со склада продавца (перед приездом необходимо связаться с менеджером и уточнить готовность товара к отгрузке). Дата и время доставки согласовываются с заказчиком.
Связаться с нами
Напишите вопрос или опишите задачу — менеджер свяжется с Вами в ближайшее время.