Покрытие со ступенькой
Вулканизированная резина, твёрдость по Шору 80 по шкале А
Центральная часть колеса
Технополимер на основе полипропилена (PP).
Качение
Ступица со сквозным отверстием.
Кронштейн неподвижной пластины
Оцинкованный стальной лист, кронштейн предназначен для выдерживания нагрузок до 2250 Н.
Кронштейн поворотной пластины
Оцинкованный стальной лист, кронштейн предназначен для выдерживания нагрузок до 2250 Н. Наличие двойного поворотного шарикоподшипника и прямой контакт между пластиной и кольцом шарикоподшипника со встроенным штифтом обеспечивают превосходную маневренность. Не требует обслуживания.
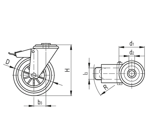
Он состоит из (см. Рис.1):
крепежная пластина: электролитически оцинкованная стальная пластина;
вилка: электролитически оцинкованный стальной лист;
кольцо шарикового подшипника: электролитически оцинкованный стальной лист;
центральная цапфа: встроенная в пластину, холодная штамповка;
система ротации: кольцо шарика с консистентной смазкой с обеих сторон;
пылезащитное уплотнение: технополимер серого цвета RAL 7015, доступно только для исполнений SBL и SBF.
Тормоз
Общий тормоз, блокирующий колесо и кронштейн.
Оптимизированные размеры и убирающаяся педаль обеспечивают минимальное занимаемое пространство и максимальное удобство приведения в действие.
Пружина из закаленной углеродистой стали.
Стандартные исполнения
- PBL-N: кронштейн неподвижной пластины, без тормоза.
- SBL-N: кронштейн поворотной пластины, без тормоза.
- SBF-N: кронштейн поворотной пластины, с тормозом.
- FBL-N: кронштейн поворотной пластины и центральное сквозное отверстие, без тормоза.
- FBF-N: кронштейн поворотной пластины и центральное сквозное отверстие, с тормозом.

Области применения
Колёса RE.E2 могут использоваться для различных типов тележек при средних или легких нагрузках; кроме того, они могут использоваться вне помещений.
Типичные области применения: тележки для промышленного перемещения, также для наружного использования, мусорные контейнеры.
Для получения дополнительной информации, см.RE.E2.
Оплата товара производится только за безналичный расчет. Документы для оплаты высылаются на электронную почту заказчика после согласования всех существенных условий заказа (ассортимент, кол-во изделий, сроки поставки и др.). Датой оплаты считается дата поступления денежных средств на расчетный счет продавца.
Доставка осуществляется на территории РФ и СНГ транспортными компаниями по согласованию с заказчиком. Возможен самовывоз со склада продавца (перед приездом необходимо связаться с менеджером и уточнить готовность товара к отгрузке). Дата и время доставки согласовываются с заказчиком.