Перейдите в раздел для просмотра товаров
Поворотная ручка
Дюропласт на основе фенольной смолы (PF), чёрный цвет, глянцевая отделка.
Стандартные исполнения
- VCK (для дверей толщиной S > 5 мм):
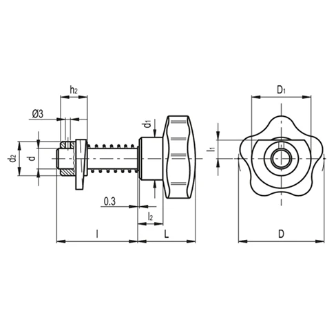
- гладкий шток из оцинкованной стали;
- спиральный кулачок замка из спечённой и выпаренной стали с отверстием для штифтового соединения;
- пружинный установочный штифт Ø 3 × 20 мм из стали с чёрной оксидной плёнкой AISI 303;
- замковая пружина для компенсации толщины двери из оцинкованной стали;
- открывание в правую (D) или левую сторону (S).
- VCK+G (для дверей толщиной S > 5 мм): сообразно VCK, но с промежуточным положением направляющей втулки и гайки (за исключением типа с L = 24 мм) из никелированной латуни и плоской пружинной шайбой из оцинкованной стали.
- открывание в правую (D) или левую сторону (S).
- VCK-SST (для дверей толщиной S > 5 мм):
- гладкий шток из нержавеющей стали AISI 303;
- спиральный кулачок замка из спечённой нержавеющей стали AISI 316 L с отверстием для штифтового соединения;
- пружинный установочный штифт Ø 3 × 20 мм из нержавеющей стали AISI 303;
- замковая пружина для компенсации толщины двери из нержавеющей стали AISI 302;
- открывание в правую (D) или левую сторону (S).
- VCK+G-SST (для дверей толщиной S ≤ 5 мм): подобно VCK-SST, но с промежуточным положением направляющей втулки, гайки и плоской пружинной шайбы DIN 6798 из нержавеющей стали AISI 303.
- открывание в правую (D) или левую сторону (S).

Аксессуары по запросу (заказываются отдельно)
Комплект направляющей втулки и гайки (см. таблицу с кодами и описаниями).

Код | Описание | Направляющая гайка |
15201 | GG-VCK | VCK. |
15211 | GG-VCK-SST | VCK-SST |
Инструкции по монтажу
Выберите ручку с длиной штока (l) в соответствии с условиями, приведёнными в таблице ниже.
Просверлите цилиндрическое монтажное отверстие в двери в соответствии с условиями, приведёнными в таблице.
Просверлите отверстие в штоке для штифта на расстоянии "f" от ручки в соответствии с условиями, представленными в таблице.
Установите шток в отверстие двери и соберите другие компоненты.
Ручки-задвижки VCK. поставляются в разобранном виде.

Толщина двери / Выступ | исполнения | длина штока (l) | Крепежное отверстие | Pасстояние между отверстиями для штифтов | |
|---|---|---|---|---|---|
S ≤ 5 | S+b ≤ 9 | VCK. | 24 | Ø12 H9 | f=S+b+8.5 |
b > 5 | |||||
S ≤ 5 | S+b ≤ 31 | VCK+G | 46 | Ø16 H9 | f=S+b+11 |
b > 22.5-S | |||||
S+b ≤ 39 | 54 | ||||
b > 27.5-S | |||||
S+b ≤ 49 | 64 | ||||
b > 29.5-S | |||||
S > 5 | S+b ≤ 31 | VCK. | 46 | Ø12 H9 | f=S+b+8.5 |
b > 11 | |||||
S+b ≤ 39 | 54 | ||||
b > 16 | |||||
S+b ≤ 49 | 64 | ||||
b > 18 | |||||
Оплата товара производится только за безналичный расчет. Документы для оплаты высылаются на электронную почту заказчика после согласования всех существенных условий заказа (ассортимент, кол-во изделий, сроки поставки и др.). Датой оплаты считается дата поступления денежных средств на расчетный счет продавца.
Доставка осуществляется на территории РФ и СНГ транспортными компаниями по согласованию с заказчиком. Возможен самовывоз со склада продавца (перед приездом необходимо связаться с менеджером и уточнить готовность товара к отгрузке). Дата и время доставки согласовываются с заказчиком.
Связаться с нами
Напишите вопрос или опишите задачу — менеджер свяжется с Вами в ближайшее время.