Перейдите в раздел для просмотра товаров
Особенности и области применения
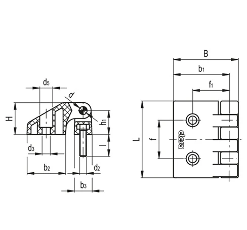
Петля состоит из двух корпусов различных размеров (узкий и более широкий) и может быть собрана, например, на конструкциях с тонкой коробкой или дверью.
Угол поворота (приблизительное значение)
Макс. 205° (-15° и +190°, где 0° – это условие, при котором две взаимно соединяемые поверхности находятся на одной плоскости).
Чтобы не ухудшить механические характеристики петли, не превышайте максимальный угол поворота.
Для выбора подходящего типа и правильного количества петель для вашего вида применения, см. Рекомендации-.


Испытания на прочность | ОСЕВОЕ НАПРЯЖЕНИЕ | РАДИАЛЬНОЕ НАПРЯЖЕНИЕ | НАПРЯЖЕНИЕ ПОД УГЛОМ В 90° | |||
|
|
| ||||
Описание | Максимальная рабочая нагрузка | Нагрузка на разрыв | Максимальная рабочая нагрузка | Нагрузка на разрыв | Максимальная рабочая нагрузка | Нагрузка на разрыв |
CFD.30 B-M3 | 60 | 690 | 70 | 490 | 60 | 500 |
CFD.30 p-M3x13 | 70 | 750 | 40 | 340 | 30 | 390 |
CFD.30 p-M3x13-B-M3 | 60 | 690 | 40 | 340 | 30 | 390 |
CFD.30 B-M3-p-M3x13 | 60 | 690 | 40 | 340 | 30 | 390 |
CFD.30 CH-3-B-M3 | 100 | 830 | 110 | 720 | 70 | 670 |
CFD.30 CH-3-p-M3x13 | 60 | 730 | 50 | 450 | 30 | 350 |
CFD.40 B-M4 | 160 | 1710 | 150 | 1340 | 100 | 700 |
CFD.40 p-M4x18 | 110 | 1230 | 140 | 880 | 50 | 730 |
CFD.40 p-M4x18-B-M4 | 110 | 1230 | 140 | 880 | 50 | 700 |
CFD.40 B-M4-p-M4x18 | 110 | 1230 | 140 | 880 | 50 | 700 |
CFD.40 CH-4-B-M4 | 120 | 1620 | 150 | 1220 | 130 | 1110 |
CFD.40 CH-4-p-M4x18 | 150 | 1480 | 140 | 820 | 100 | 860 |
CFD.48 B-M5 | 260 | 2440 | 260 | 1700 | 120 | 1640 |
CFD.48 p-M5x17 | 290 | 1770 | 240 | 1840 | 110 | 1740 |
CFD.48 p-M5x17-B-M5 | 260 | 1770 | 240 | 1700 | 110 | 1640 |
CFD.48 B-M5-p-M5x17 | 260 | 1770 | 240 | 1700 | 110 | 1640 |
CFD.48 CH-5-B-M5 | 330 | 2530 | 240 | 1890 | 290 | 1870 |
CFD.48 CH-5-p-M5x17 | 150 | 2170 | 120 | 1200 | 110 | 970 |
CFD.66 B-M6 | 450 | 4130 | 320 | 2520 | 220 | 2250 |
CFD.66 p-M6x16 | 470 | 3260 | 260 | 1700 | 240 | 1580 |
CFD.66 p-M6x16-B-M6 | 450 | 3260 | 260 | 1700 | 220 | 1580 |
CFD.66 B-M6-p-M6x16 | 450 | 3260 | 260 | 1700 | 220 | 1580 |
CFD.66 CH-6-B-M6 | 430 | 3660 | 410 | 2610 | 310 | 2830 |
CFD.66 CH-6-p-M6x16 | 350 | 3090 | 280 | 1770 | 180 | 1610 |
Оплата товара производится только за безналичный расчет. Документы для оплаты высылаются на электронную почту заказчика после согласования всех существенных условий заказа (ассортимент, кол-во изделий, сроки поставки и др.). Датой оплаты считается дата поступления денежных средств на расчетный счет продавца.
Доставка осуществляется на территории РФ и СНГ транспортными компаниями по согласованию с заказчиком. Возможен самовывоз со склада продавца (перед приездом необходимо связаться с менеджером и уточнить готовность товара к отгрузке). Дата и время доставки согласовываются с заказчиком.
Связаться с нами
Напишите вопрос или опишите задачу — менеджер свяжется с Вами в ближайшее время.