Logo

Прижимы и зажимные устройства GN 810

Прижимы и зажимные устройства GN 810 — фото №1
Прижимы и зажимные устройства GN 810 — схема №1
Распродажа Цена Наличие Заказать
GN 810-75-A 75 750 20 29 34 5.2 M 5 4.5 98 20.5 11 - - 66.5 31.5 - - 15 16 24 24 62.5 2 - - 98 Да 1 214 ₽ В наличии
Наведите для увеличения
Прижимы и зажимные устройства GN 810 — схема №1

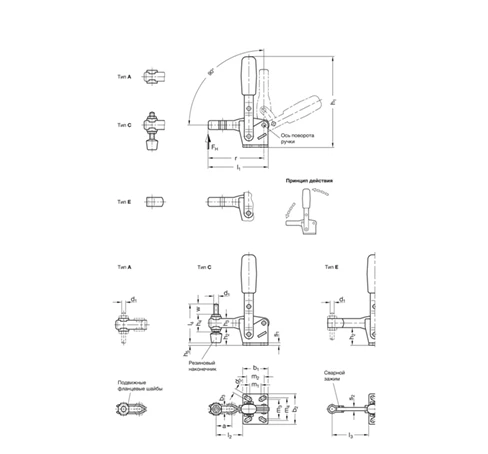
Типы

- Тип A: прихват-вилка с двумя фланцевыми шайбами

  • - Тип C: швеллерный вариант с двумя фланцевыми шайбами и GN 708.1 шпиндельным узлом

  • - Тип E: Цельный прихват с зажимом


Вариант исполнения из стали

  • - Закалённая сталь С10, оцинкованная, глубокой пассивации

  • - Цапфы закаленные

  • - Опорные оси (для размера 230 и больше), закалённые

Все подвижные части

смазаны специальной смазкой


Рукоятка

Твёрдый маслостойкий пластик, цвет красный


Spindle assembly GN 708.1, Тип A


  • - Оцинкованная сталь

  • - Резиновый наконечник, по Шору А 85


Вариант исполнения из нержавеющей стали NI

Нержавеющая сталь AISI 304


Все подвижные части

смазаны специальной смазкой


Рукоятка

Твёрдый маслостойкий пластик, цвет красный


Spindle assembly GN 708.1, Тип A


  • - Нержавеющая сталь AISI 304

  • - Резиновый наконечник, по Шору А 85

Вертикальные шарнирные зажимы GN 810 работают по правилу изгиба: рычаг и прижимная планка перемещаются в одном направлении. В зажатом положении рычаг управления находится в вертикальном положении.

Вместе с вертикальными шарнирными зажимами в виде прихвата-вилки с двумя фланцевыми шайбами (тип А) могут использоваться специальные зажимные винты. Шпиндельный узел с наконечником из неопреновой резины также входит в комплект поставки типа C.

Вариант типа E может использоваться или путём приваривания прихвата, на котором затем можно разместить зависящий от области применения прижимной крепёжный элемент, или путём использования планки в сочетании с GN 809 прихват устанавливается для удержания заготовки на месте.


Аксессуары

  • - Держатели для зажимных болтов

  • - GN 801 монтажные опоры прижима для шарнирных прихватов (для типа A)

  • - GN 809 монтажные опоры прижима для шарнирных прихватов (для типа Е)

Оплата товара производится только за безналичный расчет. Документы для оплаты высылаются на электронную почту заказчика после согласования всех существенных условий заказа (ассортимент, кол-во изделий, сроки поставки и др.). Датой оплаты считается дата поступления денежных средств на расчетный счет продавца.

Доставка осуществляется на территории РФ и СНГ транспортными компаниями по согласованию с заказчиком. Возможен самовывоз со склада продавца (перед приездом необходимо связаться с менеджером и уточнить готовность товара к отгрузке). Дата и время доставки согласовываются с заказчиком.