Перейдите в раздел для просмотра товаров
ОсноваТехнополимер на основе полиамида (PA), армированный стекловолокном, черный цвет, матовая отделка.
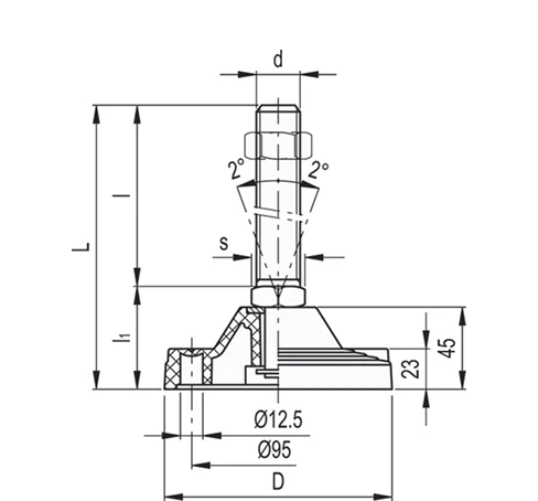
Сквозной винт
Резьбовой винт из оцинкованной стали с регулировочным шестигранником
Стандартные исполнения
- LV.F-APS: без противоскользящего диска.
- LV.F-APS-AS: с противоскользящим диском из бутадиен-нитрильного каучука NBR, твёрдость по Шору А 90, поставляется в собранном виде, армированный оцинкованной стальной пластиной, закреплённой с помощью двух винтов.
Крепление к полу
Осуществляется при помощи двух отверстий, расположенных друг напротив друга по разные стороны от винта и закрытых мембранами, которые легко удалить металлическим инструментом. Мембраны предотвращают проникновение сквозь отверстия пыли и грязи, когда необходимости в креплении опор к полу нет (см. рис. 1).

Особенности
Специальная накатка под нижней кромкой основания обеспечивает превосходную устойчивость и захват при использовании регулируемой опоры без противоскользящего диска даже на поверхностях, которые не являются идеально плоскими.
Детали регулируемых опор (основание и винт) поставляются уже в собранном виде.
Аксессуары по запросу
Гайка из оцинкованной стали (см. Гайки NT.-).
Специальные исполнения доступны по запросу
Винты из нержавеющей стали AISI 304.
Оплата товара производится только за безналичный расчет. Документы для оплаты высылаются на электронную почту заказчика после согласования всех существенных условий заказа (ассортимент, кол-во изделий, сроки поставки и др.). Датой оплаты считается дата поступления денежных средств на расчетный счет продавца.
Доставка осуществляется на территории РФ и СНГ транспортными компаниями по согласованию с заказчиком. Возможен самовывоз со склада продавца (перед приездом необходимо связаться с менеджером и уточнить готовность товара к отгрузке). Дата и время доставки согласовываются с заказчиком.
Связаться с нами
Напишите вопрос или опишите задачу — менеджер свяжется с Вами в ближайшее время.