Logo

Регулируемые опоры для крепления к полу LVQ.F-SST

Регулируемые опоры для крепления к полу LVQ.F-SST — фото №1
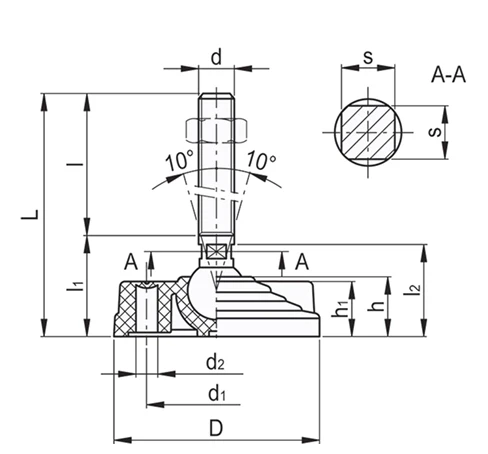
Регулируемые опоры для крепления к полу LVQ.F-SST — схема №1
Регулируемые опоры для крепления к полу LVQ.F-SST — схема №2
Нет вариаций

Основа

Технополимер на основе полиамида (PA), армированный стекловолокном, черный цвет, матовая отделка.


Винт с шарнирной головкой

Резьбовой винт из оцинкованной стали AISI 304 с регулировочным квадратным участком


Стандартные исполнения

  • - LVQ.F-SST: без противоскользящего диска.

  • - LVQ.F-AS-SST: с противоскользящим диском из бутадиен-нитрильного каучука NBR, твёрдость по Шору А 70, поставляется установленным на основании.

Крепление к полу

Осуществляется при помощи двух отверстий, расположенных друг напротив друга по разные стороны от винта и закрытых мембранами, которые легко удалить металлическим инструментом. Мембраны предотвращают проникновение сквозь отверстия пыли и грязи, когда необходимости в креплении опор к полу нет (см. рис. 1).


Особенности

Специальная накатка под нижней кромкой основания обеспечивает превосходную устойчивость и захват при использовании регулируемой опоры без противоскользящего диска даже на поверхностях, которые не являются идеально плоскими.

Особая система монтажа противоскользящего диска на основании гарантирует идеальное крепление, предотвращающее отсоединение даже в случае воздействия во время транспортировки или в случае прилипания к полу (см. Противоскользящий диск).


Информация по заказу

Регулируемые опоры поставляются в разобранном виде для облегчения доставки и хранения. Детали (основание и винт) поставляются в отдельной упаковке: меньший занимаемый объём и лучшая защита от царапин и грязи.

Для отдельного заказа оснований и винтов см.:

таблица возможных комбинаций оснований/винтов


Аксессуары по запросу

Гайка из нержавеющей стали AISI 304 (см. Гайки NT.-).

Оплата товара производится только за безналичный расчет. Документы для оплаты высылаются на электронную почту заказчика после согласования всех существенных условий заказа (ассортимент, кол-во изделий, сроки поставки и др.). Датой оплаты считается дата поступления денежных средств на расчетный счет продавца.

Доставка осуществляется на территории РФ и СНГ транспортными компаниями по согласованию с заказчиком. Возможен самовывоз со склада продавца (перед приездом необходимо связаться с менеджером и уточнить готовность товара к отгрузке). Дата и время доставки согласовываются с заказчиком.