Logo

Смотровые стёкла для наблюдения за уровнем масла HCFE-C

Смотровые стёкла для наблюдения за уровнем масла HCFE-C — фото №1
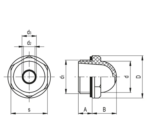
Смотровые стёкла для наблюдения за уровнем масла HCFE-C — схема №1
Распродажа Цена Наличие Заказать
HCFE.24/C-1 G 1 11 24 42 31 14 15 36 8÷10 18 Да 211 ₽ В наличии
Наведите для увеличения
Смотровые стёкла для наблюдения за уровнем масла HCFE-C — схема №1

Материал

Прозрачный технополимер на основе полиамида (PA-T). Избегайте контакта со спиртом или чистящими средствами, содержащими спирт.

Стандартные исполнения

Справочное значение для считывания показано в круге:

  • HCFE-C: красный круг с отметкой времени;

  • HCFE-CB: белый круг с отметкой времени.

Наносимый при помощи тампонной печати, стойкий к воздействию масел с добавками, смазок, щелочи и уайт-спирита; стойкий к трению при нормальных рабочих условиях. Избегайте контакта с растворителями, спиртом или чистящими средствами, содержащими спирт.

Уплотнительное кольцо

Синтетический каучук NBR.

Максимальная постоянная рабочая температура

100°C.

Технические данные

Момент затяжки, указанный в таблице, обеспечивает оптимальную герметичность, поддерживая кольцевое уплотнение в правильном положении.

Примечание

Для использования с другими жидкостями со специальными добавками, пожалуйста, свяжитесь с Отделом Продаж компании ELESA.

Аксессуары по запросу

Медный тип гайки GH. для установки на резервуарах с толщиной стенки менее 5 мм.

Оплата товара производится только за безналичный расчет. Документы для оплаты высылаются на электронную почту заказчика после согласования всех существенных условий заказа (ассортимент, кол-во изделий, сроки поставки и др.). Датой оплаты считается дата поступления денежных средств на расчетный счет продавца.

Доставка осуществляется на территории РФ и СНГ транспортными компаниями по согласованию с заказчиком. Возможен самовывоз со склада продавца (перед приездом необходимо связаться с менеджером и уточнить готовность товара к отгрузке). Дата и время доставки согласовываются с заказчиком.