Logo

Штифты стопорные (фиксаторы) GN 608.1

Штифты стопорные (фиксаторы) GN 608.1 — фото №1
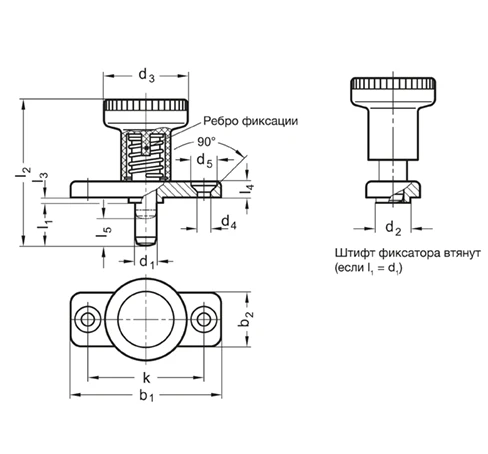
Штифты стопорные (фиксаторы) GN 608.1 — схема №1
Распродажа Цена Наличие Заказать
GN 608.1-6-14 6 14 40 18 10 25 4.3 8.3 30 45 2.5 4.5 6 9 25 400 38 Да 543 ₽ В наличии
GN 608.1-8-18 8 18 46 20 12 31 5.3 10.4 34 54 2.5 5.5 8 13 26 500 63 Да 557 ₽ В наличии
Наведите для увеличения
Штифты стопорные (фиксаторы) GN 608.1 — схема №1

Характеристики

Направляющая

Цинк, литьё под давлением

zinc plated, blue passivated

Поворотная ручка

Пластик (полиамид ПА)

  • - чёрный цвет, матовая отделка

  • - чёрный цвет, матовая отделка

Ось

Сталь, закалка

Отдельные компоненты из стали / латуни


Информация

Стопорные штифты GN 608.1 с фиксацией стержня в отжатом положении применяются в случаях, когда необходимо, чтобы стержень фиксатора самостоятельно удерживался в оттянутом положении. Для отжатия штифта необходимо оттянуть ручку и повернуть её на 90°. Насечка удерживает штифт в этом положении.

Стопорные штифты GN 608.1 отличаются компактными размерами. Стопорный выступ является неотъемлемой частью ручки и обеспечивает надёжную работу в любое время.


Оплата товара производится только за безналичный расчет. Документы для оплаты высылаются на электронную почту заказчика после согласования всех существенных условий заказа (ассортимент, кол-во изделий, сроки поставки и др.). Датой оплаты считается дата поступления денежных средств на расчетный счет продавца.

Доставка осуществляется на территории РФ и СНГ транспортными компаниями по согласованию с заказчиком. Возможен самовывоз со склада продавца (перед приездом необходимо связаться с менеджером и уточнить готовность товара к отгрузке). Дата и время доставки согласовываются с заказчиком.