Перейдите в раздел для просмотра товаров
Типы
- Тип SG: со звездообразной ручкой
Звездообразная ручка DIN 6336
Пластик (полиамид PA)
чёрный цвет, матовая отделка
Кулачковая защёлка
Стальной лист
гальванически оцинкована с голубой пассивацией
Болт и распорная деталь
Сталь
гальванически оцинкована с голубой пассивацией
Информация
Замки GN 117 являются вибростойкими и имеют прижимной диапазон до 10 мм. Блокировка осуществляется поворотом ручки по часовой стрелке.
Привлекает внимание его простая и, следовательно, экономичная установка.
Инструкция по сборке и монтажу

Поворачивая замок по часовой стрелке, ступенчатая и подпружиненная кулачковая защелка заходит за раму и закрывает дверь.
Большой радиус втягивания кулачка (10 мм) позволяет успешно использовать эти замки на дверях с уплотнительными лентами. При выборе величины 'Z' необходимо учитывать толщину дверного полотна. Пружинный кулачок (тарельчатая пружина) препятствует открыванию двери под действием вибрации.
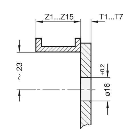
В двери должно быть отверстие Ø 16 мм на расстоянии 23 мм от дверной рамы до центра отверстия. Болт вставляется спереди. Распорная втулка, кулачковая защелка и тарельчатые пружины устанавливаются на валу с внутренней стороны в этой последовательности.
Самоконтрящаяся гайка имеет крутящий момент, обеспечивающий свободное перемещение защелки.
T+Z | l макс. |
≤ 13.5 | 31 |
≤ 18 | 35.5 |
≤ 22.5 | 40 |
≤ 27 | 44.5 |
≤ 31.5 | 49 |
≤ 36 | 53.5 |
≤ 40.5 | 58 |
≤ 45 | 62.5 |
≤ 49.5 | 67 |
≤ 54 | 71.5 |
≤ 58.5 | 76 |
≤ 63 | 80.5 |
Оплата товара производится только за безналичный расчет. Документы для оплаты высылаются на электронную почту заказчика после согласования всех существенных условий заказа (ассортимент, кол-во изделий, сроки поставки и др.). Датой оплаты считается дата поступления денежных средств на расчетный счет продавца.
Доставка осуществляется на территории РФ и СНГ транспортными компаниями по согласованию с заказчиком. Возможен самовывоз со склада продавца (перед приездом необходимо связаться с менеджером и уточнить готовность товара к отгрузке). Дата и время доставки согласовываются с заказчиком.