Перейдите в раздел для просмотра товаров
Основание и корпус
Высокостойкий технополимер на основе полиамида (PA).
Основание в чёрном цвете.
Корпус в следующих цветах:
- C2: оранжевый цвет RAL 2004, глянцевая отделка.
- C3: серый цвет RAL 7035, глянцевая отделка.
- C1: серо-чёрный цвет RAL 7021, глянцевая отделка.
Крепление основания к корпусу ультразвуковой сваркой предотвращает разделение и исключает попадание пыли и жидкости.
Окно
Прозрачный технополимер на основе полиамида (PA-T), отливаемый над корпусом с обеспечением превосходного уплотнения (избегайте контакта со спиртами во время операций по очистке).
Дисплей
Указывает на смещение механизма, управляемого шпинделем, с исходного положения (0).
Пятиразрядный барабанный счётчик. Цифры красного барабана показывают десятичные значения. Дополнительная градуированная шкала рядом с последней десятичной цифрой обеспечивает дополнительную точность показаний.
Экран может находиться в различных положениях (см. «Таблицу возможных комбинаций»).
- AN: наклонный экран, счётчик в верхнем положении.
- AR: наклонный экран, счётчик в нижнем положении.
- FN: экран в лицевой части, счётчик в верхнем положении.
- FR: экран в лицевой части, счётчик в нижнем положении.
Внутренняя прокладка
Уплотнительное кольцо из бутадиен-нитрильного каучука, установленное между корпусом и втулкой
Задняя прокладка
Пенополиэтилен, поставляется.
Стандартное исполнение
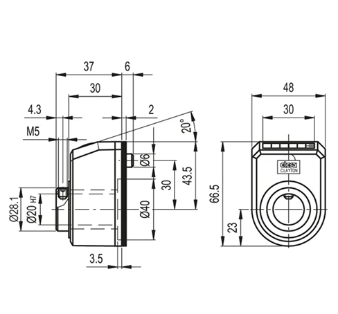
Втулка с развёрнутым отверстием Ø20 мм H7 устанавливается на вал с помощью поставляемого установочного винта с гнездом для шестигранной головки и чашеобразным концом.
- DD52R: втулка из стали с чёрной оксидной плёнкой.
- DD52R-SST: втулка из нержавеющей стали AISI 303 INOX .
Направление вращения
- D: по часовой стрелке. Возрастание значений с вращением втулки по часовой стрелке.
- S: против часовой стрелки. Возрастание значений с вращением втулки против часовой стрелки.
Вес
97 граммов.
Особенности и области применения
Цифровые индикаторы положения с прямым приводом могут быть собраны на сквозных шпинделях любого расположения для обеспечения прямого чтения расположения компонента машины. Они также подходят для применения с приводом от двигателя (См. „Пример описания для заказа“)
Эргономичность и удобство в использовании
Компактный счётчик, эргономично спроектированные цифры для быстрого чтения. Чёткость показаний счётчика повышается благодаря наличию увеличительного окна.
Специальные исполнения доступны по запросу
- Специальные показания после одного оборота.
- Корпус в различных цветах.
- Полностью герметичные цифровые индикаторы положения со степенью защиты IP 67, см. EN 60529 стол полученный с помощью медной втулки с двойным уплотняющим кольцом внутри заднего углубления основания.
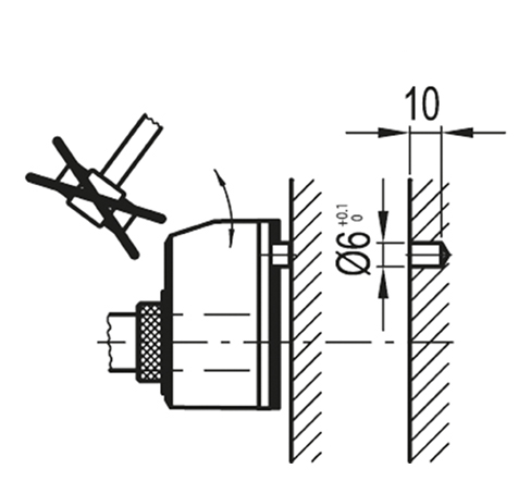
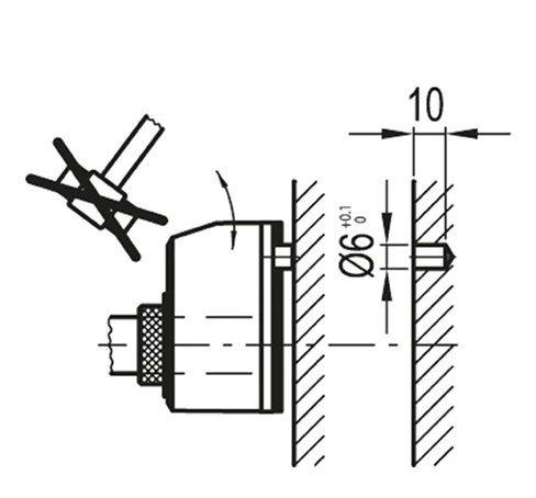
Инструкции по монтажу
Просверлите Ø 6 × 10 мм отверстие в корпусе машины с 30-мм межцентровым расстоянием от вала для установки заднего установочного штифта.
Установите шпиндель в начало или исходное положение.
Установите индикатор с обнулённым счётчиком на шпиндель и убедитесь в установке штифта в отверстие.
Установите втулку на валу, затянув установочный винт с гнездом для шестигранной головки и чашеобразным концом, в соответствии с UNI 5929-85.

Аксессуары по запросу (заказываются отдельно)
- MDX-52: ручка из технополимера на основе полиамида (PA).
- BSA-N52: основания из цинкового сплава, литого под давлением, для фиксации шпинделя, покрытие из эпоксидной смолы, чёрный цвет, матовая отделка. Регулируемая ручка GN 302.1 с корпусом рычага из цинкового сплава, литого под давлением, и зажимной элемент из нержавеющей стали AISI 304. Отверстие Ø6,1 мм для установки опорного штифта индикатора. Ручка может быть помещена с правой или с левой стороны. Установка на станке с помощью двух винтов с цилиндрической головкой M5 (не входят в комплект поставки).
- BS52R: промежуточное основание (код CE.83950) из технополимера на основе полиамида (PA), армированного стекловолокном, разработанное с двумя просверлёнными отверстиями для Ø2,2 саморезов UNI 10227 (не входят в комплект поставки).
- RB52: переходные втулки из стали с чёрной оксидной плёнкой.
- RB52-SST: переходные втулки из стали с чёрной оксидной плёнкой.
PE.6-10: красный штифт из технополимера (код CE.83960).
Оплата товара производится только за безналичный расчет. Документы для оплаты высылаются на электронную почту заказчика после согласования всех существенных условий заказа (ассортимент, кол-во изделий, сроки поставки и др.). Датой оплаты считается дата поступления денежных средств на расчетный счет продавца.
Доставка осуществляется на территории РФ и СНГ транспортными компаниями по согласованию с заказчиком. Возможен самовывоз со склада продавца (перед приездом необходимо связаться с менеджером и уточнить готовность товара к отгрузке). Дата и время доставки согласовываются с заказчиком.